EN
Loading...

TOF迷你激光位移2500mm

产品系列:TOF型迷你激光位移长距离

产品简介:GHG-1250长距离激光位移传感器
1.提供检测距离可达2500mm
2.高防护等级IP67,全金属壳体,耐环境型强
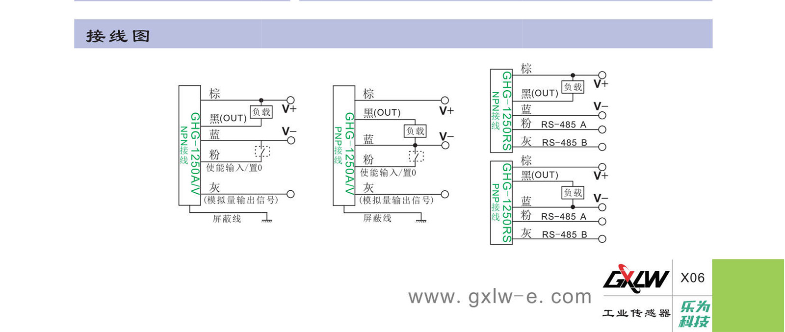
3.标配NPN/PNP+模拟量输出模式,提供RS-485模式
4.提供RS-485通信输出模式
5.配置四位白色数码管显示,操作方便;支持多种检测模式,适用多场景应用

立即询价 PDF3D文档

客服热线

15356466777